门户 > 产品展示 > 液压阀 >

ZTF系列整体式多路阀

2024-02-23
ZTF系列整体式多路阀

名称:ZTF系列整体式多路阀

制造商: 四川长江液压件有限责任公司

市场价:0

优惠价:0

单位:

最小起订量:0

联系人:

电话:

传真:

手机:

邮箱:

QQ:

我要认领

介绍

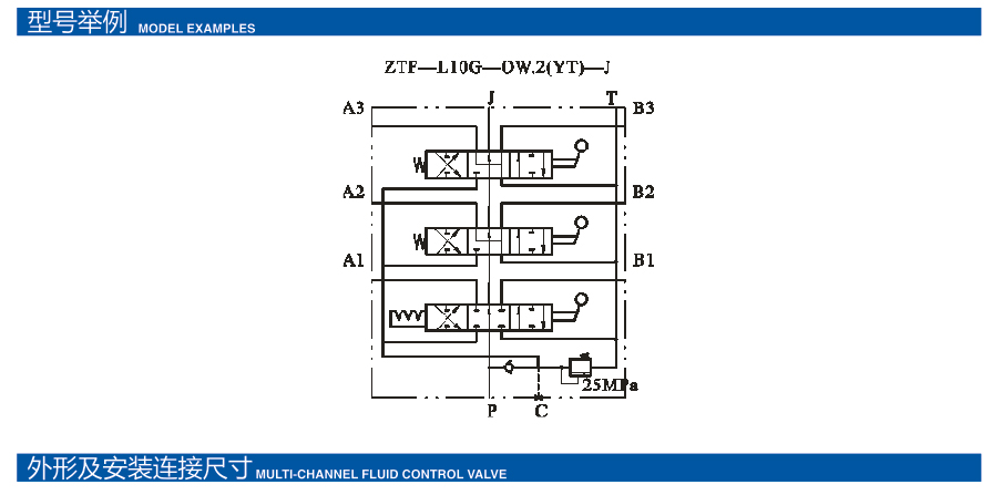
  ZTF整体式多路阀内置溢流阀以控制系统压力、内置单向阀防止油液倒流、并联油路型式;可预设压力输出口(过桥口 );同时预设有两个进、出油口,管路连接方便;换向手柄有两种安装方式;该阀具有结构紧凑,体积小,重量轻,工作压力较高,性能好,工作可靠,使用维护方便等优,能够广泛满足用户在8个执行机构内控制要求。ZTF系列整体式多路阀

ZTF系列整体式多路阀

ZTF系列整体式多路阀

ZTF系列整体式多路阀

ZTF系列整体式多路阀