门户 > 产品展示 > 液压阀 >

QF28全负荷传感多路换向阀

2024-02-23
QF28全负荷传感多路换向阀

名称:QF28全负荷传感多路换向阀

制造商: 四川长江液压件有限责任公司

市场价:0

优惠价:0

单位:

最小起订量:0

联系人:

电话:

传真:

手机:

邮箱:

QQ:

我要认领

介绍

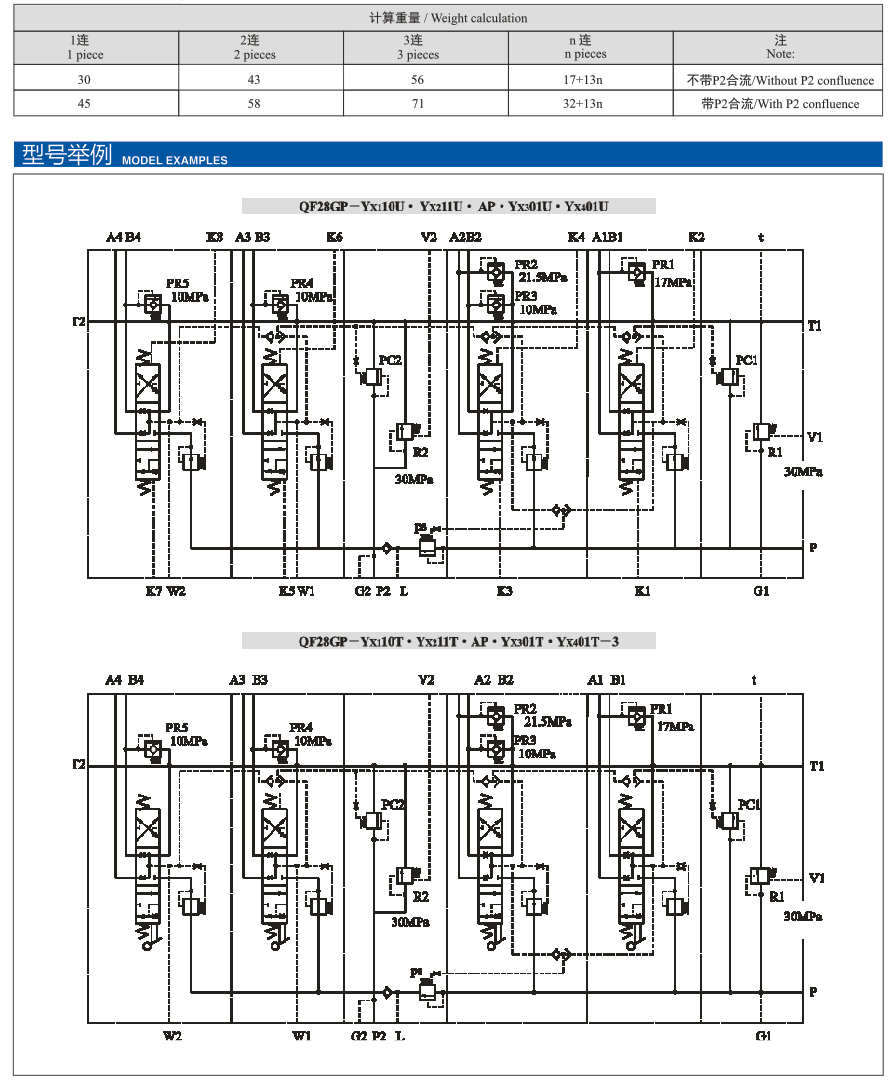
  QF28全负荷传感多路换向阀是我公司新研制的产品,具有先进水平的全液压起重机液压系统的工作原理及各项技术指标,成功地满足了当前国内QY20~QY80型等全液压起重机和80T以下履带吊的发展需求,特别是其优良的全负荷传感功能,使起重机的控制精度得以全面提高,能量损失降至最低,可称之为高精度控制的节能产品。压力31.5MPa、最大流量:400L/min。QF28全负荷传感多路换向阀目前大量用于起重机、履带吊、旋挖钻机和大型船舶机械等的液压系统中。

QF28全负荷传感多路换向阀

QF28全负荷传感多路换向阀

QF28全负荷传感多路换向阀

QF28全负荷传感多路换向阀

QF28全负荷传感多路换向阀

QF28全负荷传感多路换向阀