门户 > 产品展示 > 液压缸 >

HSG系列基型双作用单杆活塞式液压缸

2024-02-23
HSG系列基型双作用单杆活塞式液压缸

名称:HSG系列基型双作用单杆活塞式液压缸

制造商: 四川长江液压件有限责任公司

市场价:0

优惠价:0

单位:

最小起订量:0

联系人:

电话:

传真:

手机:

邮箱:

QQ:

我要认领

介绍

  HSG系列基型双作用单杆活塞式液压缸,是液压系统中作往复直线运动的执行机构。具有结构简单、工作可靠、装拆方便、易于维修、可带缓冲装置及连接方式多样等特点。它适用于工程机械、矿山机械、起重运输机械、冶金机械及其它机械等。

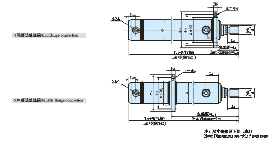
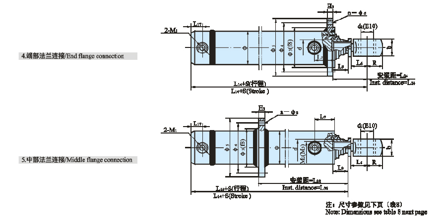
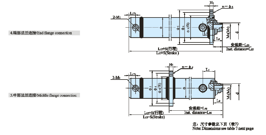
HSG系列基型双作用单杆活塞式液压缸

HSG系列基型双作用单杆活塞式液压缸

HSG系列基型双作用单杆活塞式液压缸

HSG系列基型双作用单杆活塞式液压缸

HSG系列基型双作用单杆活塞式液压缸

HSG系列基型双作用单杆活塞式液压缸

HSG系列基型双作用单杆活塞式液压缸

HSG系列基型双作用单杆活塞式液压缸

HSG系列基型双作用单杆活塞式液压缸

HSG系列基型双作用单杆活塞式液压缸

HSG系列基型双作用单杆活塞式液压缸

HSG系列基型双作用单杆活塞式液压缸

HSG系列基型双作用单杆活塞式液压缸

HSG系列基型双作用单杆活塞式液压缸

HSG系列基型双作用单杆活塞式液压缸

HSG系列基型双作用单杆活塞式液压缸

HSG系列基型双作用单杆活塞式液压缸

HSG系列基型双作用单杆活塞式液压缸

HSG系列基型双作用单杆活塞式液压缸

HSG系列基型双作用单杆活塞式液压缸

HSG系列基型双作用单杆活塞式液压缸

HSG系列基型双作用单杆活塞式液压缸

HSG系列基型双作用单杆活塞式液压缸

HSG系列基型双作用单杆活塞式液压缸

HSG系列基型双作用单杆活塞式液压缸

HSG系列基型双作用单杆活塞式液压缸

HSG系列基型双作用单杆活塞式液压缸

HSG系列基型双作用单杆活塞式液压缸

HSG系列基型双作用单杆活塞式液压缸