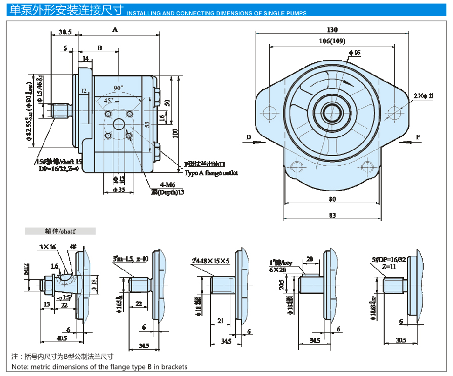
CBK1系列高压齿轮泵采用了采用浮动式轴向补偿结构,承载能力高的DU轴承、高强度铝合金壳体结构。压力可高达25MPa,转速范围600~3000r/min,排量4~25ml/r。该泵具有压力高、转速范围宽、排量规格多、体积小、重量轻、工作可靠、维修方便等特点。轴伸有平键、矩型花键、渐开线花键、DP制花键、锥轴螺纹五种连接,油口为法兰连接CBK1齿轮泵除单泵、双联泵外,还可组成三联、四联泵、并可以带安全阀,供主机任意选用。作为动力源广泛用于工程机械、起重运输机械和矿山机械,适用于多种中小型液压系统泵站。















