名称:GPL系列高压齿轮泵
制造商: 四川长江液压件有限责任公司
市场价:0
优惠价:0
单位:
最小起订量:0
联系人:
电话:
传真:
手机:
邮箱:
QQ:
介绍
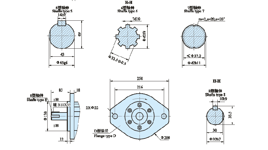
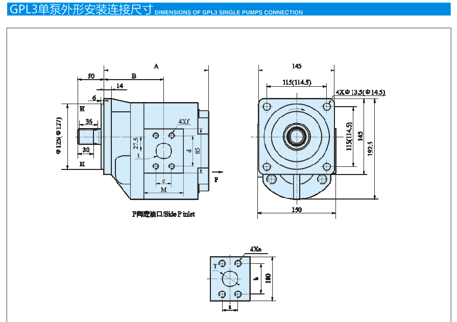
GPL齿轮泵包括GPL3和GPL5两种系列,排量覆盖25~250ml/r,工作转速600~2500r/min,工作压力最高达25Mpa。该泵的泵体与后盖采用集成一体化设计,壳体材料为铸铁,承载采用滚针轴承,轴向浮动侧板间隙补偿,径向液压力局部平衡结构,具有压力高,排量大,工作可靠,使用寿命长,维修方便,性能稳定等特点。安装方面,有多种连接型式可工选择,可组成双联泵使用。广泛用于工程机械、矿山机械以及冶金行业、化工行业等液压系统中。
相似产品
四川长江液压件有限责任公司
CJA10VSO系列柱塞泵,采用斜盘式结构用于开式回路的变量柱塞泵,具有响应快、...
CBK1系列高压齿轮泵采用了采用浮动式轴向补偿结构,承载能力高的DU轴承、高强...
液压同步马达又叫同步分流马达、液压同步分流器。液压同步马达中的齿轮式同...
CMG齿轮马达包括CMG2和CMG3两种系列,排量覆盖25~200ml/r,工作转速600~2000r/mi...
CMK1系列齿轮马达,是我公司的主导产品之一,它采用了高强度铝合金壳体,浮...
GPL 齿轮泵 包括GPL3和GPL5两种系列,排量覆盖25~250ml/r,工作转速600~2500r/min,...
CBJ系列 齿轮泵 是我公司专门为物流运输行业开发的液压动力元件,排量覆盖...
CBY 齿轮泵 分为3种系列(CBY2、CBY3、CBY4),排量覆盖10~200ml/r,工作转速600~...