门户 > 产品展示 > 液压泵与马达 >

CJA10VSO系列柱塞泵

2024-10-08
CJA10VSO系列柱塞泵

名称:CJA10VSO系列柱塞泵

制造商: 四川长江液压件有限责任公司

市场价:0

优惠价:0

单位:

最小起订量:0

联系人:

电话:

传真:

手机:

邮箱:

QQ:

我要认领

介绍

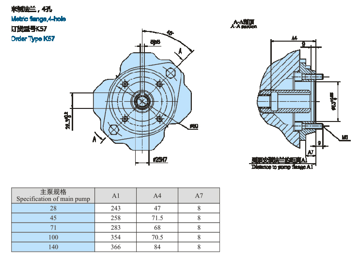
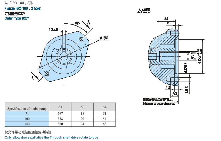
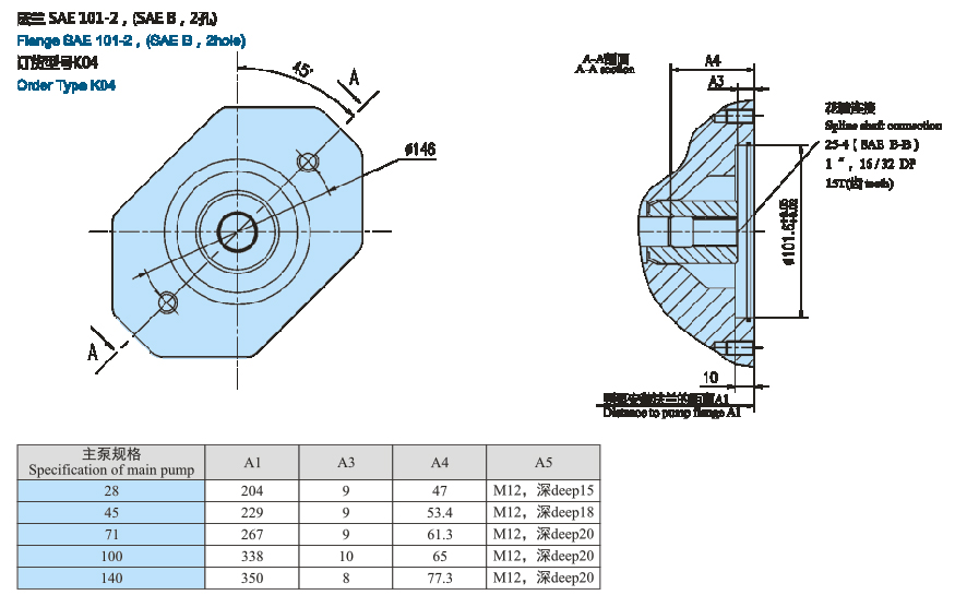
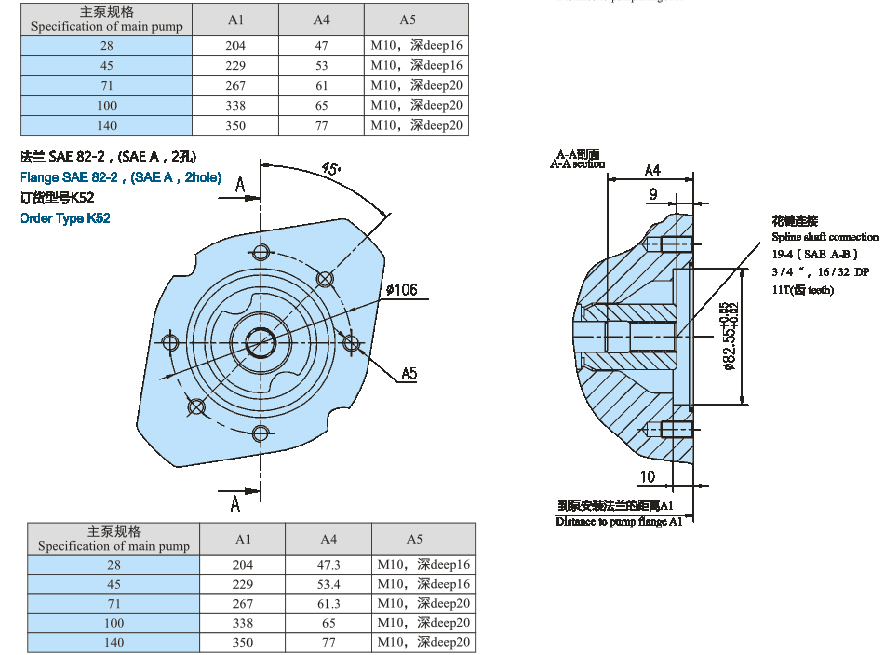
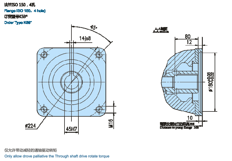
CJA10VSO系列柱塞泵,采用斜盘式结构用于开式回路的变量柱塞泵,具有响应快、噪音低、功率密度高、长寿命等优点,具有压力补偿、远程压力、负载敏感、恒扭矩,电子比例控制等多种控制方式,可以串联其他泵。额定压力28MPa,峰值压力35MPa,排量28~140ml/r。串接的齿轮泵作为先导泵或副泵使用,完全替代进口元件,广泛用于工程机械、塑料机械、重型装备、矿山设备、冶金、水利、船舶、机床等。

1.jpg

2.jpg

3.jpg

4.jpg

5.jpg

6.jpg

7.jpg

8.jpg

9.jpg

11.jpg

12.jpg

13.jpg

14.jpg

15.jpg

16.jpg

17.jpg

18.jpg

19.jpg

20.jpg

21.jpg

22.jpg

24.jpg

25.jpg

26.jpg

27.jpg

28.jpg

29.jpg

30.jpg

31.jpg

32.jpg

33.jpg

34.jpg

35.jpg

36.jpg

37.jpg

38.jpg

39.jpg

40.jpg

41.jpg

42.jpg

43.jpg

44.jpg

45.jpg

46.jpg

47.jpg

48.jpg

49.jpg

50.jpg

51.jpg

52.jpg

53.jpg

54.jpg

55.jpg

56.jpg

57.jpg

58.jpg

59.jpg

60.jpg

61.jpg

62.jpg

63.jpg

64.jpg

65.jpg

66.jpg

67.jpg

68.jpg

69.jpg

70.jpg

71.jpg

72.jpg

73.jpg

74.jpg

75.jpg

76.jpg

77.jpg

78.jpg

79.jpg